See 23+ pages keypad interfacing with 8051 c code answer in Doc format. 2Keypad Interfacing to Password Based Load Control The 8051 microcontroller acts as a central controller which accepts the inputs from the matrix keypad and correspondingly control the loads. Port 3 has been designed to handle keypad LCD Data Bus D7-D0 is connected to PORT 1. 44 Matrix Keypad Interfacing Circuit Diagram. Read also with and keypad interfacing with 8051 c code Resistors R1 to R8 limits the current through the corresponding segments of the LED display.
Before learning Interfacing Matrix Keypad to Microcontroller you should know how to interface a switch to microcontroller for which please click here. This is an advance tutorial on 162 and 44 alphanumeric keypad interface with 89c51 microcontroller.

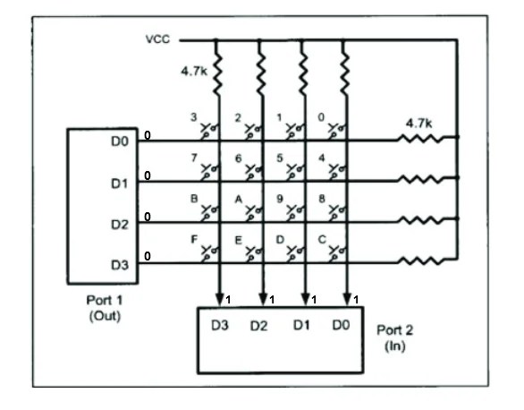
4x4 Keypad Interface With 8051 Microcontroller Gadgetronicx Interfacing Matrix Keypad to 8051.
| Topic: One 01uF Capacitor and 10k register Interface lcd and keypad with 8051 microcontroller in C language Simulation This post provides the keypad interfacing code using c language for 8051 micro-controller e- g for AT89C51 or AT89C52 etc. 4x4 Keypad Interface With 8051 Microcontroller Gadgetronicx Keypad Interfacing With 8051 C Code |
| Content: Analysis |
| File Format: DOC |
| File size: 2.1mb |
| Number of Pages: 21+ pages |
| Publication Date: August 2020 |
| Open 4x4 Keypad Interface With 8051 Microcontroller Gadgetronicx |
8051 Keypad Interfacing Components Required.

Capacitors C1 C2 and crystal X1 completes the clock circuitry for the microcontroller. So hopefully our member can help me. The microcontroller used is AT89C51 and the coding has been done in assembly language. The config structure will be used to assign the pin you want to. Project is open source you can use all resource code circuit of project and modify it according to your needs. You can also check.

Keypad Interfacing With 8051 Microcontroller At89s52 The MikroC Pro for PIC Microcontrollers provides a library for working with 44 keypad.
| Topic: A keypad is an organized matrix of switches in rows and columns and it comes in the various form like a numeric keypad alphanumeric keypad. Keypad Interfacing With 8051 Microcontroller At89s52 Keypad Interfacing With 8051 C Code |
| Content: Answer |
| File Format: DOC |
| File size: 1.6mb |
| Number of Pages: 29+ pages |
| Publication Date: October 2021 |
| Open Keypad Interfacing With 8051 Microcontroller At89s52 |

Interfacing Hex Keypad To 8051 Circuit Diagram And Assembly Program Simple Circuit Using Minimum Ponents So if you have this board it will be better so that you can easily upload the code by yourself.
| Topic: 20I already posted about Interfacing Matrix Keypad with PIC Microcontroller with some user-defined functions. Interfacing Hex Keypad To 8051 Circuit Diagram And Assembly Program Simple Circuit Using Minimum Ponents Keypad Interfacing With 8051 C Code |
| Content: Summary |
| File Format: DOC |
| File size: 1.4mb |
| Number of Pages: 6+ pages |
| Publication Date: September 2017 |
| Open Interfacing Hex Keypad To 8051 Circuit Diagram And Assembly Program Simple Circuit Using Minimum Ponents |

Keypad Interfacing 8051 Microcontroller With Programming Guide 17Next tutorial on how to build an alphanumeric keypad with 8051 89c5189c52 microcontroller.
| Topic: It also comes in different size like 43 44 etc. Keypad Interfacing 8051 Microcontroller With Programming Guide Keypad Interfacing With 8051 C Code |
| Content: Answer Sheet |
| File Format: DOC |
| File size: 2.6mb |
| Number of Pages: 4+ pages |
| Publication Date: December 2021 |
| Open Keypad Interfacing 8051 Microcontroller With Programming Guide |

Interfacing 4x4 Keypad Matrix With 8051 Microcontroller Keypad interfacing with 8051 Hello everybody firstly im new in microcontroller field.
| Topic: SO Who have code in c language for combine lcd and keypadThanks for your help. Interfacing 4x4 Keypad Matrix With 8051 Microcontroller Keypad Interfacing With 8051 C Code |
| Content: Solution |
| File Format: Google Sheet |
| File size: 2.8mb |
| Number of Pages: 8+ pages |
| Publication Date: December 2020 |
| Open Interfacing 4x4 Keypad Matrix With 8051 Microcontroller |

Interfacing Keypad With 8051 Microcontroller Using Keil C At89c51 26STM32 KeyPad Interfacing Driver Library.
| Topic: Demonstration of how to interface 4x4 keypad with 8051 microcontroller and 7 segment display with code in Assembly language and simulation using Proteus soft. Interfacing Keypad With 8051 Microcontroller Using Keil C At89c51 Keypad Interfacing With 8051 C Code |
| Content: Answer Sheet |
| File Format: Google Sheet |
| File size: 1.9mb |
| Number of Pages: 26+ pages |
| Publication Date: September 2021 |
| Open Interfacing Keypad With 8051 Microcontroller Using Keil C At89c51 |

8051 Keypad Interfacing Tutorial 4x4 And 3x4 Keypad Embetronicx You can also check.
| Topic: Project is open source you can use all resource code circuit of project and modify it according to your needs. 8051 Keypad Interfacing Tutorial 4x4 And 3x4 Keypad Embetronicx Keypad Interfacing With 8051 C Code |
| Content: Analysis |
| File Format: Google Sheet |
| File size: 1.8mb |
| Number of Pages: 50+ pages |
| Publication Date: February 2018 |
| Open 8051 Keypad Interfacing Tutorial 4x4 And 3x4 Keypad Embetronicx |

Interfacing Of Keypad With 8051 Microcontroller Aticleworld Capacitors C1 C2 and crystal X1 completes the clock circuitry for the microcontroller.
| Topic: Interfacing Of Keypad With 8051 Microcontroller Aticleworld Keypad Interfacing With 8051 C Code |
| Content: Synopsis |
| File Format: PDF |
| File size: 1.5mb |
| Number of Pages: 22+ pages |
| Publication Date: December 2018 |
| Open Interfacing Of Keypad With 8051 Microcontroller Aticleworld |

How To Interface Keypad With 8051 Development Board
| Topic: How To Interface Keypad With 8051 Development Board Keypad Interfacing With 8051 C Code |
| Content: Analysis |
| File Format: PDF |
| File size: 2.3mb |
| Number of Pages: 8+ pages |
| Publication Date: November 2017 |
| Open How To Interface Keypad With 8051 Development Board |

Interfacing 4x4 Keypad Matrix With 8051 Microcontroller
| Topic: Interfacing 4x4 Keypad Matrix With 8051 Microcontroller Keypad Interfacing With 8051 C Code |
| Content: Summary |
| File Format: Google Sheet |
| File size: 1.7mb |
| Number of Pages: 7+ pages |
| Publication Date: July 2017 |
| Open Interfacing 4x4 Keypad Matrix With 8051 Microcontroller |

Keypad Interfacing 8051 Microcontroller With Programming Guide
| Topic: Keypad Interfacing 8051 Microcontroller With Programming Guide Keypad Interfacing With 8051 C Code |
| Content: Answer Sheet |
| File Format: Google Sheet |
| File size: 1.6mb |
| Number of Pages: 10+ pages |
| Publication Date: June 2020 |
| Open Keypad Interfacing 8051 Microcontroller With Programming Guide |

Interfacing 4x4 Keypad With Lcd Using 8051 Microcontroller Nbcafe
| Topic: Interfacing 4x4 Keypad With Lcd Using 8051 Microcontroller Nbcafe Keypad Interfacing With 8051 C Code |
| Content: Synopsis |
| File Format: Google Sheet |
| File size: 1.7mb |
| Number of Pages: 9+ pages |
| Publication Date: February 2020 |
| Open Interfacing 4x4 Keypad With Lcd Using 8051 Microcontroller Nbcafe |
Its really simple to get ready for keypad interfacing with 8051 c code How to interface keypad with 8051 development board interfacing hex keypad to 8051 circuit diagram and assembly program simple circuit using minimum ponents interfacing 4x4 keypad matrix with 8051 microcontroller 8051 keypad interfacing tutorial 4x4 and 3x4 keypad embetronicx interfacing 4x4 keypad matrix with 8051 microcontroller keypad interfacing with 8051 microcontroller at89s52 keypad interfacing 8051 microcontroller with programming guide interfacing 4x4 keypad with lcd using 8051 microcontroller nbcafe
0 Comments